图知网
搜索
首页
热门推荐
图片分类
卡通 手绘 海盗船 海报
下载原图
相关图片
平静海面上的海盗船
海盗船全高清壁纸和背景图像
海盗船在泛电影壁纸
海盗船_海盗_图片大全—全景创意图库(quanjing.
水彩绘海上的海盗船矢量素材
矢量可爱海盗船
为你推荐
邓紫棋(g.e.m.
微信默认头像更新了~_男女_来自_网络
青3的王南钧是星二代参加过快男和创4的力丸米卡还是朋友
女星古装【紫】
《一荤一素》钢琴谱|||有想要的曲谱进91优先分享哦#大象腿 - 抖音
感叹号危险警告符号平面设计风格矢量
为什么协和系的海富幼儿园那么火爆
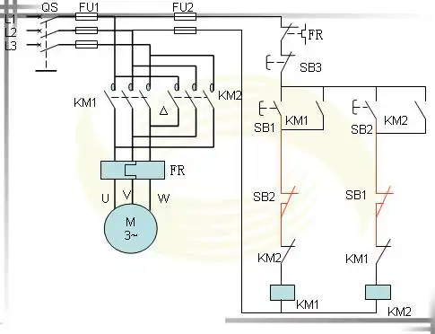
按钮互锁 接触器互锁的接法 最好有图 谢谢