图知网
搜索
首页
热门推荐
图片分类
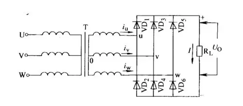
三相全桥变流器拓扑结构
下载原图
相关图片
2009年中国风电变流器产业深度研究报告(终稿)
本文通过对三相桥式全控整流电路理论分析的基础上,结合全控整流电路
的理念,脱胎于研旭成熟产品光伏并网逆变器与风机变流器等成熟产品,又
第三章_三相桥式全控整流电路ppt
三相桥式全控整流电路ppt
三相桥式电阻负载整流电路
为你推荐
图集分享一组高清山水湖泊壁纸欢迎收藏
华晨宇 #侧颜 - 抖音
数据可视化设计–3d粒子模型科技感动效进阶教程
智族gq moty年度人物##关晓彤黑色抹胸短裙造型
大鲨鱼 奥尼尔
历史上的今天:5月28日,上海市人民政府正式成立
黑猫警长之会吃猫的娘舅
为什么鼻子会有嗅觉