图知网
搜索
首页
热门推荐
图片分类
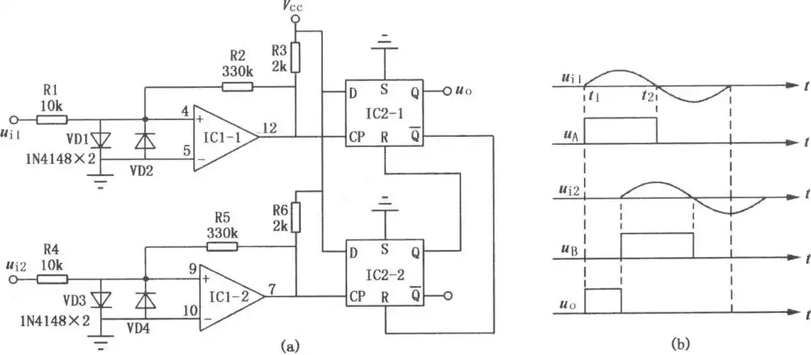
相位差检测模块由电压比较器,与门,放大器,占空比检测电路和仪器放大
下载原图
相关图片
相位检测电路
电话斩线拾测笨电路图
cn1920582a_相位检测器以及相关相位检测方法失效
ad8302幅度相位检测鉴幅鉴相器解调对数放大器原理图pcb
简易三相交流电相序测试仪
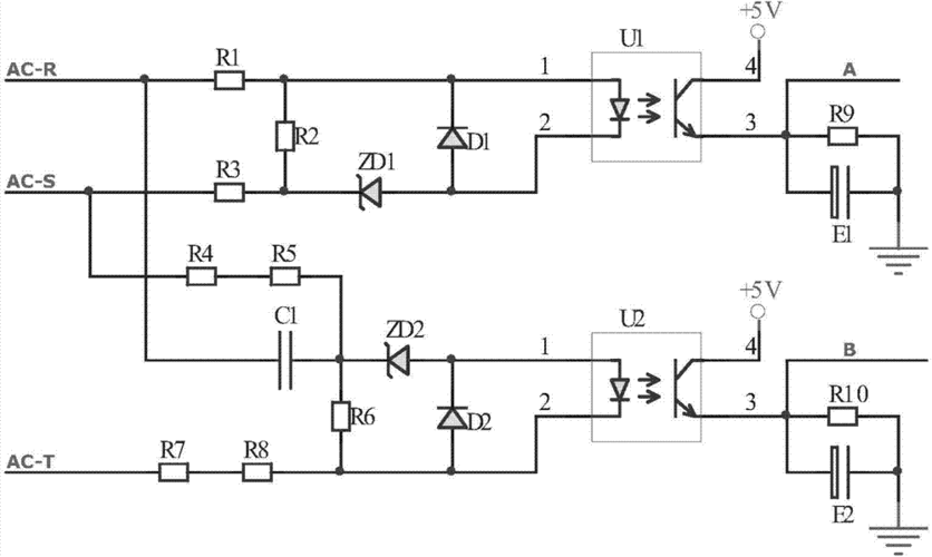
三相电压相序检测电路
为你推荐
刘子琪新歌我的中国唱响爱国主旋律
银行提供贷款 汉龙集团完成澳矿收购融资
修剑最忌讳情字熊猫头拔剑表情包斗图表情
镀锌带钢厂家|霸州大上金属
写作业的姐姐简笔画
回城
自动挡汽车的p,r,n,d,s都什么意思?看完秒懂!
隆鑫四缸三轮车出售