图知网
搜索
首页
热门推荐
图片分类
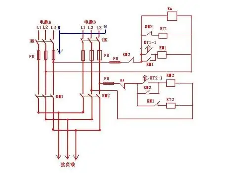
不断电双电源接线图4p_01(1)
下载原图
相关图片
双电源供电时的接线图
双电源怎么接线双电源供电电路图
美国山特ups双电源输入电池中间有个n是接哪里
关于双电源切换箱的电源监控问题 - 建筑电气技术 - 建筑电气论坛
[分享]双电源调试怎么计算?资料免费下载
双电源接线图
为你推荐
范思哲 versace 2016/17秋冬男装发布秀 - milan fall 2016
怎样识别酸洗注胶翡翠
青海湖每年的7-8月是青海湖最美丽的时候.
2021款次世代mazda3昂克赛拉,这一台让人既"爱"又"恨"的座驾
常用的罗婕表情包
令妃娘娘赵丽娟【图】
2021年全程检测单元测试卷八年级数学下册人教版a第1页参考答案
900_900gif 动态图 动图