图知网
搜索
首页
热门推荐
图片分类
电子手表简笔画
下载原图
相关图片
儿童电话手表简笔画图片
儿童电话手表-爱企查
电子手表简笔画
电子手表简笔画简笔画巴士英语网
iwatch简笔画
带着手表的手简笔画
为你推荐
邓伦更喜欢杨紫还是热巴他三字回复被赞高情商其实他最喜欢的是她
仙剑客栈徐悦版林月如颠覆观众想象
艺人路演拍摄#腾讯视频呈献#黑怕女孩马雪娇@sing女团|摄影|人像摄影
规则,学会过马路时看信号灯,并且在成人的带领下过马路 认识数字宝宝
2020新版二次元微信闺蜜头像两人各一张
logo 加上大小的女人.曲线优美的女性符号, 标志.矢量图照片
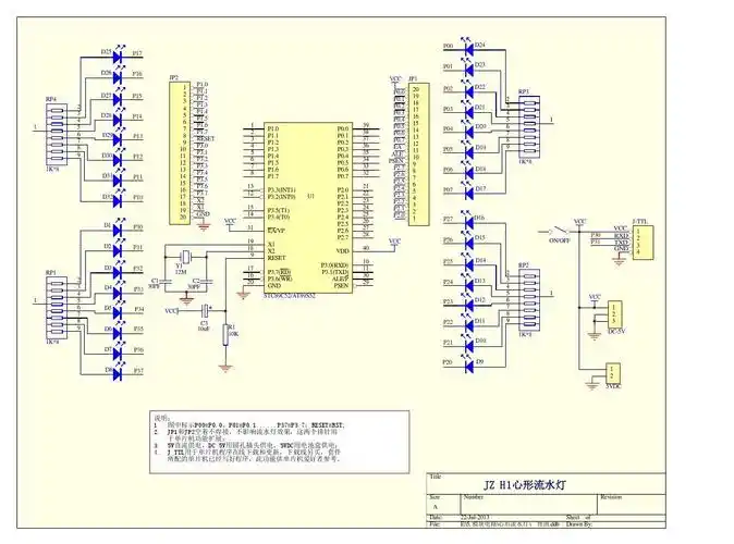
文档下载 所有分类 工程科技 电子/电路 > 心形流水灯原理图说明: 1.
农村学校配了它好处一箩筐城里人对农村教育刮目相看