图知网
搜索
首页
热门推荐
图片分类
公墓,墓碑在晚上与墓地
下载原图
相关图片
生活在路上的第395天夜宿坟墓群
[理]nam梦见在坟地[自]里突然有一堆土移[念]进坟地e,掘墓者[鲜]将会
阴森的气氛让很多居民都觉得小区像个墓地,甚至有些胆小的居民夜晚都
甘肃消防官兵夜闯坟地练胆
墓地
越来越多国人 br />改在晚上扫墓
为你推荐
可爱的小兔子:这些小兔子萌萌的,好乖巧,好美丽,太招人喜欢,太可爱了
青岛黑老大聂磊一审判死
非主流浪漫爱心唯美图片iphone手机壁纸
深圳出口口实木质活动百叶百叶窗窗帘家用折叠百叶帘
来看看下巴有痣的女人面相
公主少女短毛水晶床上2m18m风珊15米韩版床品套件
70w-1000w泛光灯安装示意图(plfgd)
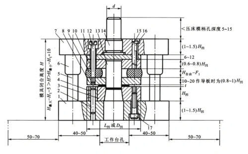
冲压模具设计装配图