图知网
搜索
首页
热门推荐
图片分类
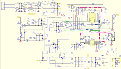
tl494应用电路图
下载原图
相关图片
tl494电源原理图.gif
求明纬500wtl494开关电源原理
tl494-boost变换器 总结 三,电路分析 整个电路主要由tl494控制电路
tl494驱动板电路图,tl494图腾驱动电路图_大山谷图库
tl494 恒流源电路
ic72.com tl494电动车充电器电路图
为你推荐
13款很适合大学生的发型,时尚还有型,帅到校花都心动
格力高百醇百奇注心饼干48g夹心牛奶红酒抹茶巧克力棒礼盒小零食
家用猛火灶煤气炉液化气灶燃气灶台式单灶煤气灶铸铁灶天然气灶具
奔驰s级这个裸眼3d仪表第一次用
澳门第四座跨海大桥的名字是……_名称_参考_发展
光遇高马尾×雨妈 画师:三坨
上海玉佛寺
粪便中带绦虫或绦虫卵