图知网
搜索
首页
热门推荐
图片分类
大头宽嘴大骨架拉布拉多 3个月幼犬多只 疫苗驱虫已做 可上门包健康
下载原图
相关图片
快三个月的拉布拉多犬公犬
3个月大的拉布拉多
纯种拉布拉多犬三个月纯黑色拉布拉多高智商导盲犬大型双血统活物
买了一只三个月大的拉布拉多,请问养狗达人,有什么需要注意的,从来没
替朋友转让拉布拉多三个月幼犬
家养3个月的拉布拉多男犬寻找爱狗新主人
为你推荐
矢量logo图标制作教程
胡歌新剧《县委大院》预告曝光!造型成熟稳重,气质正义凛然
布加迪4k高清电脑桌面壁纸图片
开车时手拉手的夫妇
刘嘉玲一家五口同框!
五星战队系列 厂家直销pvc 超透 猫眼
保持手机电池健康的方法很简单:首先,不要让手机电量消耗到关机,这个
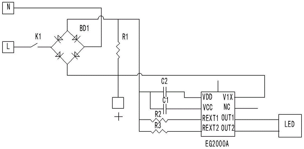
一种使led灯正常发光的独立驱动电源的制作方法