图知网
搜索
首页
热门推荐
图片分类
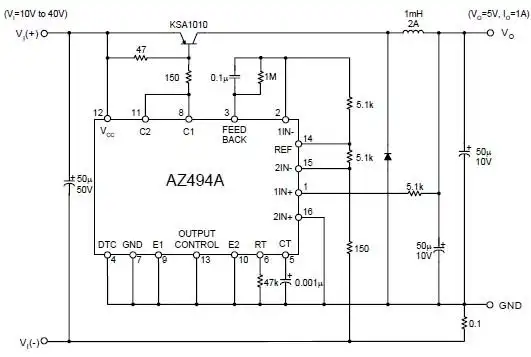
tl494可调电源电路图 (第1页)
下载原图
相关图片
向大神求助:tl494降压型开关电源的设计 .求原理图,不胜感激呀!
200watx电源(tl494) 电路
求明纬500wtl494开关电源原理
tl494芯片电源改可调电源
图tl494组成的200w开关电源电原理图逆变电路图tl494单端连接输出和推
基于tl494的可调恒流源电路
为你推荐
这杯泼天的富贵我先干了##玄真壁纸
2021年日历表
半透明美甲是真滴好看
永不失联的爱-g调吉他谱a调六线吉他谱-虫虫吉他谱免费下载
yeezyboost700v2tephra
卡通手绘游戏场景素材小桥木桥png素材
可爱的玳瑁小奶猫找妈妈
厨房餐桌上白色花瓶的花束特写