图知网
搜索
首页
热门推荐
图片分类
低成本高可靠性的电瓶车充电器电路图
下载原图
相关图片
充电系统电路图
电瓶铲车电路
20v(或其它值),万用表当电流表,接入电路中,充电时,可设定充电截止
主电路拓扑见图2,配置1个250a直流充电连接装置,提供8个充电模块安装
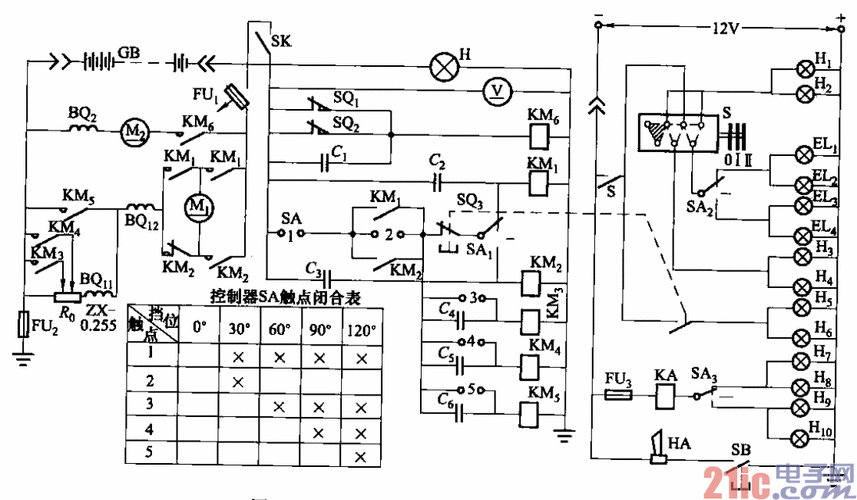
装载机照明系统都有哪些常见故障,如何检修排除
机械_电路
为你推荐
ff1430遗产录像亚历山大零式机神城a11s手点流读条诗人
地球空间星球云水平2560x1600分辨率查看
【唐蕃古道·日月湟源】探索自然奇观,领略大自然的魅力——大黑沟
木吉想变得可爱
aespa全员西装,柳智敏霸道女总裁,唯独宁艺卓喜剧人又成表情包
农村自建房 #外墙砖 #小户型装修
四合院别墅
脸上痣的位置与命运图解(脸上痣位置好坏讲解)