图知网
搜索
首页
热门推荐
图片分类
龙爪纹身龙爪纹身手稿龙爪纹身手稿图案
下载原图
相关图片
龙爪纹身龙爪纹身手稿龙爪纹身手稿图案
画龙笔记中国龙爪研究记由龙作品
龙爪纹身龙爪纹身手稿龙爪纹身手稿图案
龙爪,手绘纹身设计
龙爪手稿.#龙爪纹身 #龙爪手稿 #龙爪图 喜欢的点点7315, - 抖音
禅绕接力中国龙创作过程记录
为你推荐
港媒曝何超莲窦骁疑似分手
365计划·酸性商业海报#1
一肚子火很生气的图片心累图片,一肚子火很生气的插图-图片大观-奇异
列车上安装了独立座椅,方便换乘大兴机场线的航空旅客携带大件行李.
绘画教程腿部画法之肌肉的认识
人体足部的基本结构及名称
【包邮】辣卤东海墨鱼 私房小海鲜 100g
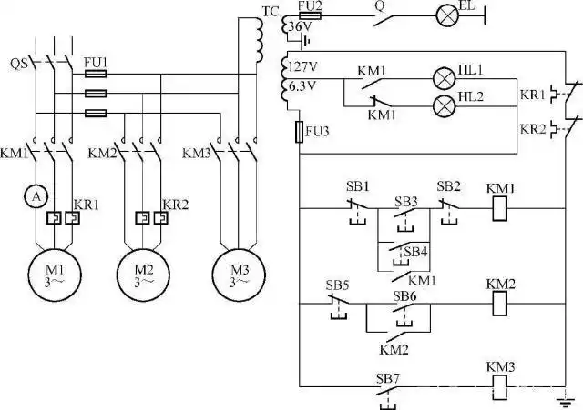
某卧式车床电气控制电路的识读方法