图知网
搜索
首页
热门推荐
图片分类
东华帝君太湖钓叟3d2021151晚间绕胆
下载原图
相关图片
2022122期福彩3d最新绕图来啦胆
3 d网络试号20胆图
彩票绕胆图
第2023067期3d讨论笔记-仅供公益娱乐_号码_频率_下期
东华帝君:太湖钓叟3d2021167,晚间绕胆
东华帝君太湖钓叟3d2021151晚间绕胆
为你推荐
苹果13pro手机壳远峰蓝iphone13情侣苹果12/11创意x/xsmax月亮xr文艺
emoji小黄人捂脸哭笑表情包
小楼又出现奇怪语录,电竞圈全是油腻男,给不起彩礼就别娶老婆|王思聪
《近距离恋爱》中的傲娇英语老师山下智久
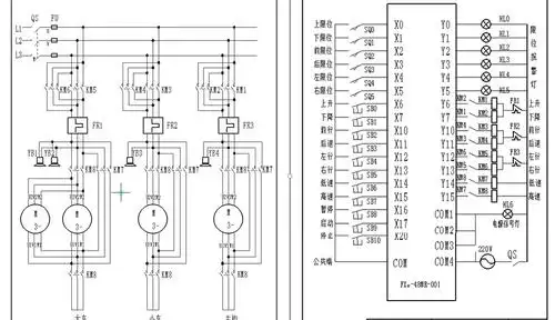
三菱fx2n的plc和主电路连接方法
二次元动漫女生头像|我来人间贩卖蓝天
行业资讯_深圳无形资产评估机构|/深圳专利评估/深圳软件评估/深圳商
京东911 | 超级品类日运动户外品牌优惠折扣汇总