图知网
搜索
首页
热门推荐
图片分类
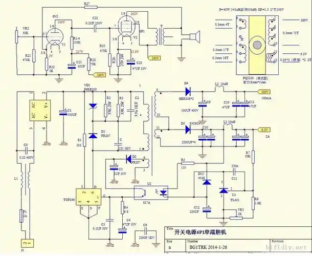
胆机制作电源改变再请高手审批电路
下载原图
相关图片
原创6n7p6p9p三极管接法2w单端
6n9p6p3p单端功放电路图2
有没有这样的电路图,谢谢 - powered by discuz!
求正确点6v6的推挽电路图
线路图集经典胆机图集
6j1 6p1胆机电路图
为你推荐
任嘉伦–心墙
《原来你还在这里》:余周周变学渣,张小宇却逆袭成学霸?
赢夫人mrswin脚趾甲贴美甲片假指甲成品可拆卸穿戴脚甲贴片128白色
时尚全家福一家三口亲子照
快来换上这些帅哥腹肌壁纸吧!
清冷孤傲古风头像男生帅气图片
那英期待第十一期我们的歌那姐回归
吃素 传花粉的水果蝙蝠 在帛琉快被吃光 网:台人应主动拒绝 | etnews