图知网
搜索
首页
热门推荐
图片分类
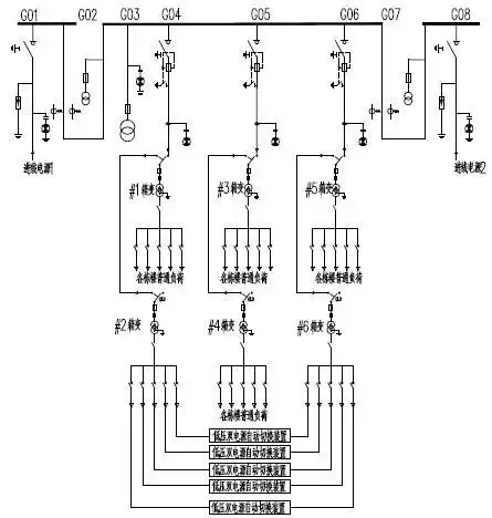
包括两台低压进线柜和一台母线联络柜,各进线柜和联络柜中包括有断路
下载原图
相关图片
母联柜控制原理图
母联二次控制原理图
低压母联柜二次原理图
低压配电柜的接线原理图在哪儿能找到?
低压配电柜电气图 低压开关柜电气原理图 低压开关柜电气图漏电断路器
ggd柜低压一次系统图
为你推荐
做起了挑染发色呢,一时间蔡徐坤比童颜谭松韵更加的抢镜了呀,也不怪
一支香烟一种情绪,黎明是愤怒,郭富城是忧郁,那刘德华是什么?
古代丫鬟 地位低下
张家界2021年国控断面水质综合位列全国第二十二位
个人授权委托书范本7篇docx
刘耀文#手绘 #日常瞎画 #线稿 - 抖音
指针万用表电路原理图
成长·成熟·成人——祝刘泽宇18岁生日快乐!