图知网
搜索
首页
热门推荐
图片分类
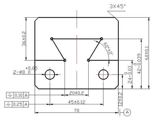
任务单图纸如图4.21所示.以此任务为例,进行单燕尾的锉配加工.
下载原图
相关图片
六方锉配实训报告 六方锉配实训报告 一, 实训目的 1,了解钳工安全
复杂双燕尾的锉配加工
宝碟体的锉配加工钳工技能实训
> 技师燕尾锉配第1页 下一页 相关主题 你可能喜欢 钳工锉配 车辆钳工
任务单图纸如图4.16所示.以此任务为例,进行角度样板的锉配加工.
2010年广东省技能竞赛赛-钳工高级实操试题0522
为你推荐
边伯贤x你
这是刘恺威,杨幂一家三口一起握手的照片.
文豪野犬# 这四个的异能力,你们看上哪一个了?
正大高中数学,化学新老师培训
its warm today partb lets talk sunny rainy cloudy snowy windy
盐湖区羊驮寺小学第一届《童年的纸飞机》活动剪影.
法拉利575m曾经最时尚的代表作
散文:麦草