图知网
搜索
首页
热门推荐
图片分类
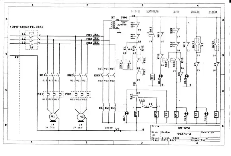
充退磁开关,充退磁控制电路,光电隔离电路和可控硅整流电路组成;其中
下载原图
相关图片
大电流电机车整流柜改造电路 model (1)
新版电磁吸盘电路控制原理图
并联使用组成电磁洗盘(内部接线图)分配器图-2下图为控制柜接线端子图
控制柜电控原理图(bpq)091106
液压站电控原理图(1)
6000v高压配电柜原理图
为你推荐
小清新青涩少年感男生头像图片 青春活力阳光帅哥微信男头合集_男生
男明星锁骨猜猜猜(看能对几个)
娱乐明星黄圣依双马尾,戴个性化耳坠,这妆容宛如少女般好看
关于女生体脂率的三个常见问题,一次性搞清楚~#健身 #健身女 - 抖音
皮鞋丝袜
6条装 儿童内裤女童纯棉平角大小女孩学生四角短裤婴儿宝宝内裤
2岁足外翻严重吗?需要干预吗?
绝地求生刺激战场红点瞄准镜图鉴介绍