图知网
搜索
首页
热门推荐
图片分类
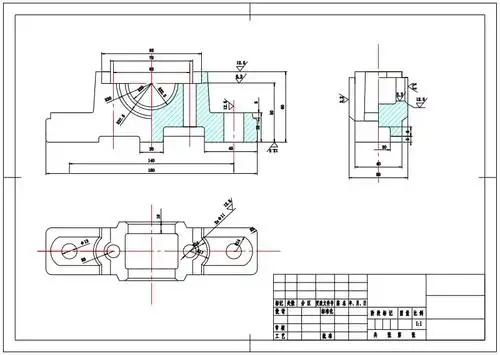
轴承座(套图)6313
下载原图
相关图片
轴承座零件图
dwg轴承座.sldprt00零件图.jpg编号:7360724类型:共享资源大小:806.
1轴承座零件图pdf
轴承座零件图pdf
1轴承座零件图pdf
整体轴承座加工
为你推荐
今日份新鲜的张钧甯
【原创】天龙八部之段正淳篇(97版 潘志文版)_哔哩哔哩_bilibili
乳房下垂程度自测示意图
墨家
携程客服团队发布春节回乡办公政策快报
王小白,一个专门制作ob11古风娃娃的人. - 抖音
落日余晖映晚霞一抹夕阳美如画 如果你也看到日落,就当我们见 - 抖音
四海龙王神像红黄白黑色西海北海南海东海龙王树脂佛像摆件工艺品