图知网
搜索
首页
热门推荐
图片分类
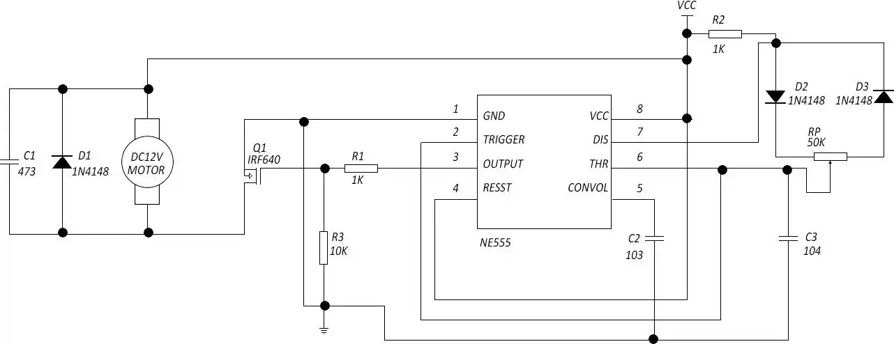
各位大神好,我想用pwm控制这个直流电机,直流电机是12v 0.
下载原图
相关图片
>>电动机电子调速电路
的调速电路虽十分简单,却能准确地调节工作电流不超过1a的电机的转速
关于直流电机调速问题
文档下载 所有分类 工程科技 电子/电路 > 直流电机调速原理图vcc p00
12v微型直流电机调速电路图
很实用的晶闸管直流电机调速电路设计参考(有放大图片)
为你推荐
就地过年为爱停留
罗志祥的初恋女友头像
李小萌
皮肤蝇蛆病
六一儿童节美甲|可爱美甲手绘美甲 嗨喽呀宝宝们 今天给大家更新一款
饭卡通质感的卡通碗里的饭照片
哈比
furaffinity.net/view/26290908/]]> http://yinglong.