图知网
搜索
首页
热门推荐
图片分类
变压器输出功率与磁芯尺寸的关系
下载原图
相关图片
两个同样的单电源环型变压器怎样改成一个双电源?
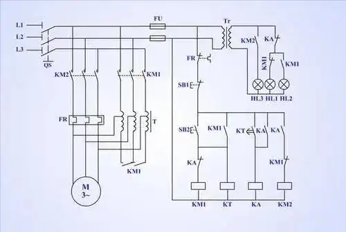
三相交流变压器接线
yy变压器主极绕阻与次极绕阻中性点怎样接线
交流变压器接线原理图
优美-wa22环型变压器
我弄到了一个充电机上的环形变压器,请大神帮我看看已经接了两根线
为你推荐
三胎生父仍成谜张柏芝又双叒叕怀孕了
穿牛仔短裙的小姐姐.#街拍美女 - 抖音
美式old school玫瑰#美式纹身#oldschool纹身#原创纹身#tattoo #南宁
一千年以后1.jpg
抛砖引玉沼泽过滤常见问题及解答.
老陕逛上海之-----东方明珠
(大肥喵)bmw 宝马 2020 黑武士 z4 m40i
现实中的蒙古袍