图知网
搜索
首页
热门推荐
图片分类
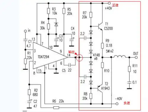
文档下载 所有分类 工程科技 电子/电路 > 100w分立功放电路c5198 o.
下载原图
相关图片
c5198功放电路图
手上有两对东芝c5198a1941想做个功放高手指点下一下
30 看到了一个合并是功放把一片100w的7294就简单弄了对a1941c5198就
av-113主功放电路原理分析 两只三极管基极与集电极之间的电容c117
用两只d718代换功率对管a1941c5198
求助有没有a1941c5198功放图纸
为你推荐
女生长发发型图片大全超全发型让你一次看够
海边的树在三亚海边椰树照片
裘千尺被困深潭十多年只靠棵枣树可能吗学者小说中符合逻辑
绿波家园
停车场装修设计效果图 绿色停车场装修案例图片 简约风格400平米
监控系统
【羊群效应】
如果下不了有什么相似软件?