图知网
搜索
首页
热门推荐
图片分类
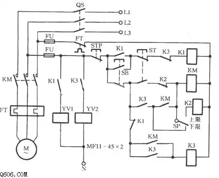
(6)一用一备恒压供水变频调速控制线路 一用一备恒压
下载原图
相关图片
常用的压机用油泵电动机控制电路-其他农业自动化电路图-电子产品世界
液压站电控原理图(1)
水泵自动控制电路图
液压压力自控电路图
以上便是小航为大家带来的20则电力电气的自动控制电路图,朋友们可
农用自动供水器 五
为你推荐
有没有关于闭上嘴言多必失之类的手机壁纸
王一博 #陈情令 #陈情令花絮 #忘羡 #陈情令肖战王一博 - 抖音
热门表情包原图精选44个表情20210225
博君一肖
拳参
可爱酷企鹅头像图片大全 三丽鸥酷企鹅badbadtz-maru头像_动漫头像
探寻花都专业之美甲——走进炫彩的指尖艺术世界
农村平房整体卫生间设计效果图