图知网
搜索
首页
热门推荐
图片分类
陪儿子在电脑旁看了一部动画片《the good dinosaur》,中文译名《恐龙
下载原图
相关图片
恐龙的英文为dinosaur,这里的dinopaws应该是模仿了小孩子的发音
dinosaur sounds, names & dino train games toddlers
get ready to race in a world where dinosaurs rule, inspired by
im a dinosaur - dino party - pteranodon & sinosauroteryx
dinotopia: the timestone pirates - dinosaur games
开发商变更记录dinosaur race in wonder world
为你推荐
q版王俊凯无偿稿
杨洋迪丽热巴后援会发文倡议粉丝理智追星|后援会|追星|迪丽热巴_新浪
中财pvc排水管 pvc管材 pvc管件 p型存水弯(带检查口)
怀孕的人可以吃沙果吗?沙果的营养价值高吗? - 妈妈育儿网
蓝白孔雀鱼活体纯种天空蓝种鱼兰白蓝礼服白子
中国最美的景观大道318国道从上海一直到西藏美翻了
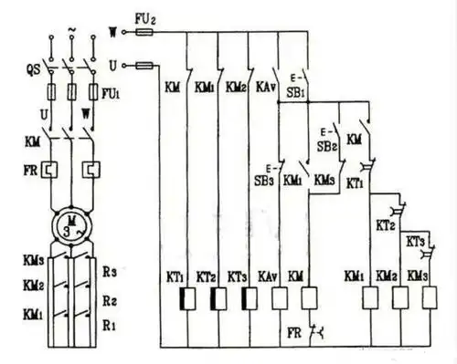
调速原理:即是在转子回路串接电阻,主张时通过操控器或触摸器逐渐切除
环太平洋全球100部机甲大全(4)新的宇宙怪兽来袭,全世界集 - 抖音