图知网
搜索
首页
热门推荐
图片分类
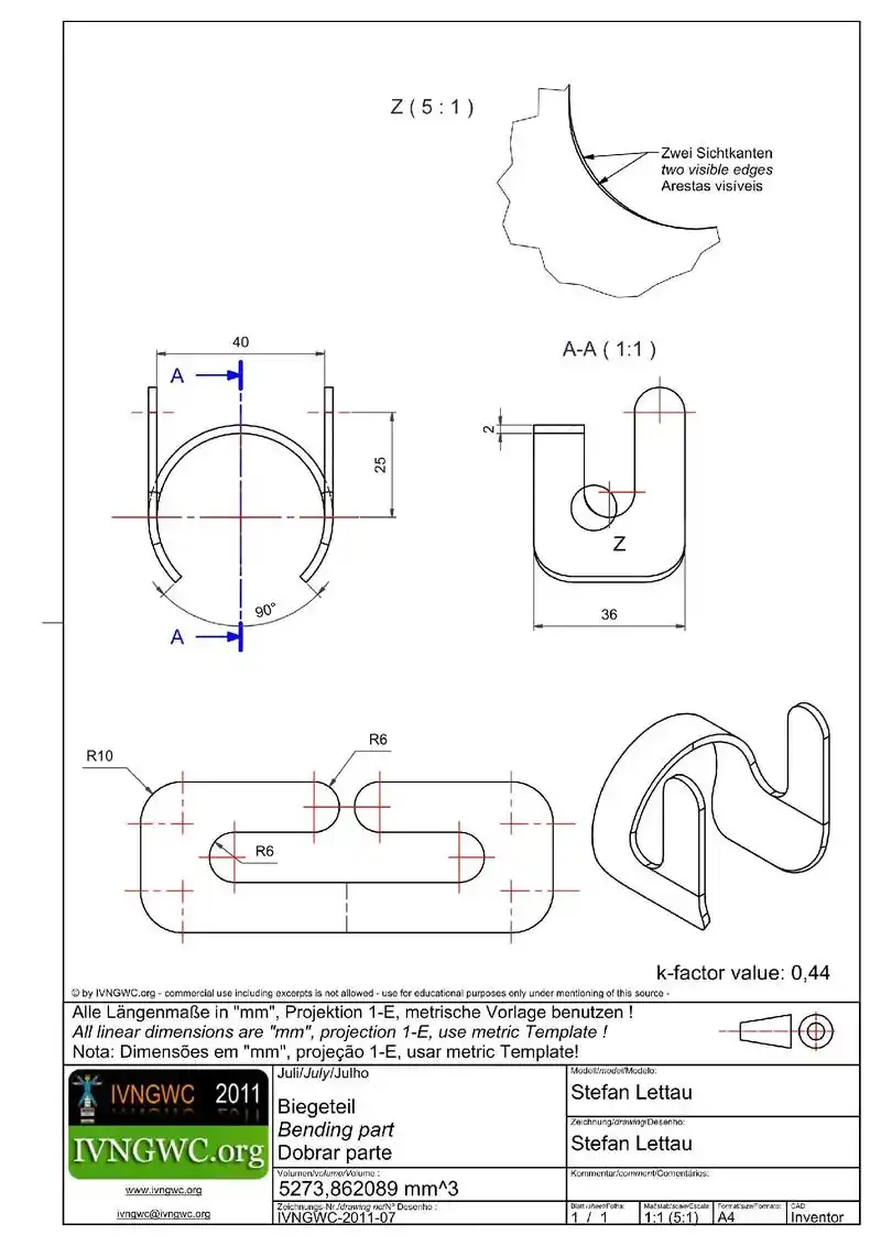
谁知道这件钣金的展开图怎么画啊?3mm不锈钢的
下载原图
相关图片
数控机床外壳钣金画法 - 抖音
机械制图图纸学习,钣金焊接图学习
支架-钣金件的基础练习
分享一个电脑键盘抽屉钣金图纸!
图纸来了:钣金圆箍.#图纸 #solidworks教学 # - 抖音
钣金练习题512
为你推荐
你好朋友
虞书欣素颜妆温柔可爱自然而然针织外套慵懒随性
10.2#直播截图照片 #人鱼线的pdd #超帅 - 抖音
恒源祥2020新款羊毛地毯式坐垫冬季毛绒汽车座垫保暖厚实汽车坐垫奔驰
2018年"5·20我爱你"哺乳照拍摄公益活动
黄面窝窝.#图文伙伴计划 #过年准备指南 小时候的"泡泡糖 - 抖音
最后的note系列,三星note20u使用体验
红衣/银发/彼岸花/少女/二次元