图知网
搜索
首页
热门推荐
图片分类
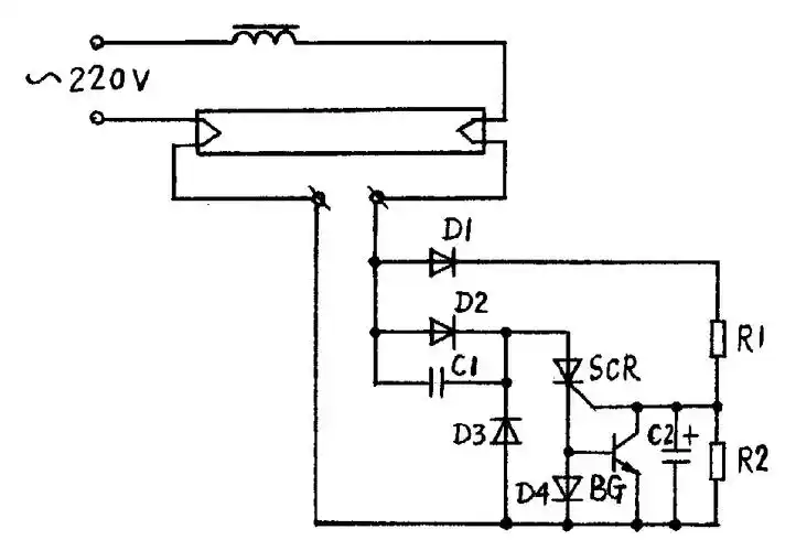
cn2236203y_全电子无触点低压快速启辉器失效
下载原图
相关图片
日光灯电子启辉器电路集锦
本实用新型提供一种高性能电子快速启辉器,它由半桥整流电容升压电路
cn2083388u_日光灯节能启辉器失效
请教日光灯快速电子启辉器的制作
镇流器,启辉器,莹光灯的接法,有线路图最好
拆个电子启辉器
为你推荐
女人,你成功引起了灭亡的注意《某天灭亡走进我家门》朴宝英徐仁国
【华晨宇】五专幕后拍摄花絮!银发!面具!谁不说一句好绝!
赵粤西装杀
请少对1-3岁的宝宝说"不""不要""不可以"对于1.5-3 - 抖音
山羊活体幼崽白山羊活苗小羊羔幼苗怀孕母羊纯种澳洲白山羊 澳洲白羊
当代杰出的写意花鸟画大家汤立
可爱向日葵鲜花云南昆明斗南基地直发笑脸黄色鲜切花学校活动用花
周慧敏是真老了,礼裙 刘海"扮美"也遮不住老态,52岁很真实_款式_设计