图知网
搜索
首页
热门推荐
图片分类
沧海终于要流了,《秦时明月之沧海横流》定档预告
下载原图
相关图片
国漫巅峰秦时明月之沧海横流终于定档回归
秦时明月之沧海横流
秦时明月之沧海横流第18集预告先行图公开
如何评价《秦时明月之沧海横流》第十六集? - 知乎
秦时明月陆沧海横流暖冬预告本月即将上线
《秦时明月沧海横流》风林火山聚首 纵横合璧 惊鲵身份再次成谜
为你推荐
女朋友第一次来我家做客有些害羞
农村田间地头,可食用野草「小蓬草」,小时候好像吃过的味道?
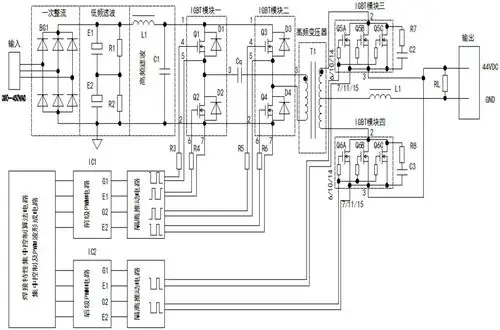
cn213318232u_一种前后级双重控制的高性能逆变焊机电路有效
写意仙鹤画法,请查收!
雪花剪纸教程大全
宝马m4红色跑车宽屏壁纸图片宝马红色汽车跑车汽车
缘份
儿童画鱼 儿童画鱼图片