图知网
搜索
首页
热门推荐
图片分类
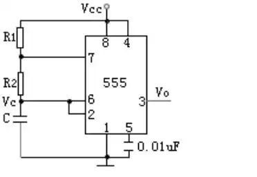
555构成的多谐振荡器电路原理分析
下载原图
相关图片
555电路详解
555定时器构成的多谐振荡器的占空比怎么求?有固定的求发吗? - 知乎
diy01_ne555叮咚门铃_利用555定时器实现双响叮咚门铃电路-csdn博客
555等效功能电路图
由555定时器构成的电路如下图,关于电路的描述正确的有
ne555典型应用电路图(二)
为你推荐
动漫二次元高清电脑壁纸p站精选桌面美图
10063272487899商品名称:科比11代篮球鞋nba全明星气垫战靴耐磨防
男童凉鞋2019新款韩版5中大童8软底6男孩7小学生9儿童鞋子12-15岁
无锡新吴区在那里
地铁站
【车辆名称】2021款 宝马x3 xdrive25 - 抖音
小水壶藏有大讲究解放军军用水壶有哪些鲜为人知的作用
今天除了哈哈哈表情包 - 今天除了哈哈哈微信表情包 - 今天除了哈哈哈