图知网
搜索
首页
热门推荐
图片分类
搞笑gif图姑娘别不好意思你要对自己有信心啊
下载原图
相关图片
搞笑gif:今天老师给我换了同桌,瞬间感觉大学跟我无缘了
搞笑gif图男朋友做错事vs女朋友做错事差距一目了然
搞笑gif图片笑话:我们要做一个狼性团队,要有狼的不服输
320_240gif 动态图 动图
爆笑gif图老师求你了不要叫家长好不好
【搞笑gif图】 别看了,快扶老子起来.
为你推荐
陈红军,甘肃陇南人,他是一位在边防战线上的机步营营长.
赵孟頫楷书习字帖放大图片44p
『mad/泰罗』『泰罗奥特曼50周年纪念』奥特曼 no.6-战士的成长之路!
龙门石窟.#龙门石窟 #夜游龙门 #洛阳 #洛阳旅游 #洛阳 - 抖音
西安周边景区——金丝峡大峡谷
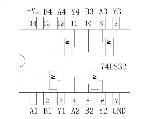
图3-3 74ls32内部结构
月亮,艺术图片 1080x1920 iphone 8/7/6/6s plus 壁纸,图片,背景,照片
师尊大头贴_人渣反派自救系统沈清秋q版绘画作品