图知网
搜索
首页
热门推荐
图片分类
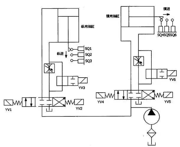
卧式钻孔组合机床液压系统图
下载原图
相关图片
外圆磨床液压系统
钻床液压系统的设计含开题及4张cad图
第07章板式床安装示意图doc10页
机床液压原理图
双头组合车床的液压系统设计含4张cad图
液压系统图
为你推荐
2021新款钻石画5d满钻婚房结婚新婚情侣喜庆礼物爱情点钻贴十字绣
动物兄弟:马丁克里斯在黑森林,看阴影就像奇怪生物在树上舞蹈!
4d,kung fu panda,壁纸,高清壁纸技术,cinema 4d,娱乐,电影,功夫熊猫
六十年代六字篆书款中国景德镇制青花松林碗-青花瓷-7788烟酒茶牌
法国遇上伊斯兰,两边心里都很烦?
徐州云龙湖苏公塔
光荣的中国人民志愿军
truffles德菲丝松露形代可可脂巧克力100g盒装11件