图知网
搜索
首页
热门推荐
图片分类
2017最新女生伤感网名1
下载原图
相关图片
201x伤感网名精选
女生超伤感个性网名
丧系网名来啦!#伤感文案馆92 #原创不易请勿抄袭 #故事的 - 抖音
2019年颓废网名女生短的
qq伤感女网名
可怜兮兮最新伤感个性qq网名精编版
为你推荐
angelababy仿妆 | 多巴胺灵动少女泰nun惹! 谁 - 抖音
睡不着
在这张高度纹理化,令人惊叹的细节渲染图中,他借助cgi(computer
蜡笔小新
thebaddestboogiedrum架子鼓cover
战争雷霆,pc游戏,坦克 壁纸 - 2560x1440 qhd高清
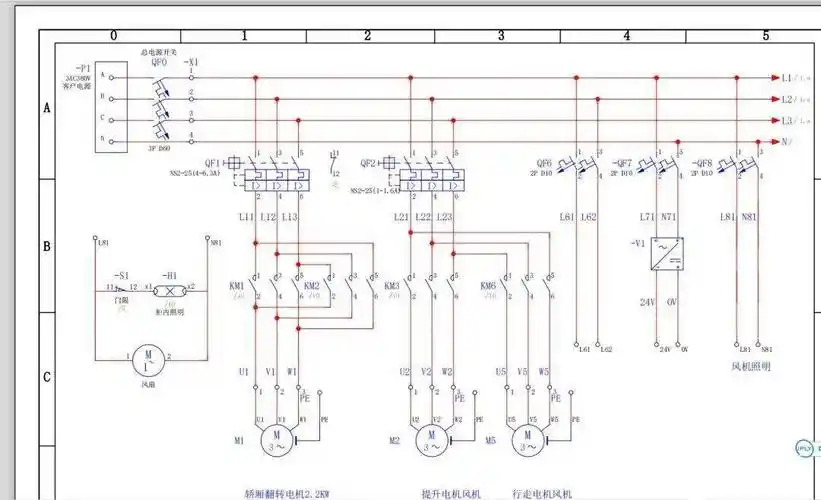
月薪8000元电工师傅的标配——看懂6个回路?_接入_电路图_电动机
彼思动画制作室(pixar)新片《灵魂奇遇记》(soul,又译《心灵奇旅》)