图知网
搜索
首页
热门推荐
图片分类
200l塑料桶不易碎的原因
下载原图
相关图片
沈阳各种大蓝桶高价回收200升塑料桶回收
昆明食品包装用25l白色塑料桶生产厂_真喜_吹塑_中空
塑料桶25l002美式桶
现货5公斤塑料桶5l圆形密封带盖爆炸盐塑胶桶
保定200升大口塑料桶哪家好
20l20公斤20升塑料桶化工桶堆码桶现货
为你推荐
超萌的q版周杰伦大图总汇
冯登府隶书"凰"字的书法图片
银魂 银魂 gintama ぎんたま 头像 人物 银他妈 二次元 动漫 四月新番
梅花树旁优雅赏花的古风动漫少女,高清图片,手机壁纸
田氏的起源田姓起源地田姓起源及简介
二层法式别墅,转角处圆弧的走廊太爱了
耍流氓表情 耍流氓的qq表情
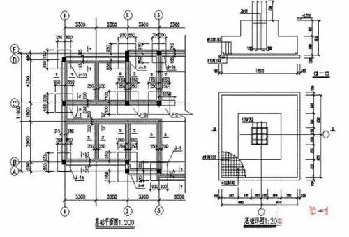
基础结构图中djj01,400是什么意思