图知网
搜索
首页
热门推荐
图片分类
以下是4558d电路图额定电压是9v8:vcc 电源7:amp out2 放大信号输出(2
下载原图
相关图片
无忧文档 所有分类 工程科技 电子/电路 ba4558n中文资料 audio
从音量调节到音调板r,l双声道信号经jrc4558d放大后再输入到音调电路.
4558话筒放大器电路图
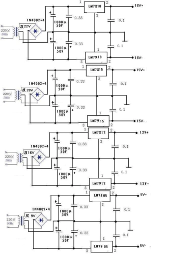
双电源电路
集成块,4558d功能是怎么样的?
4558音频运放电路分析
为你推荐
杨洋满足了腹肌控,手控,颜控,一身白衬衫穿出了超模感简约帅气
降头与恶咒邵氏兄弟恐怖电影
石竹茎疏丛生;叶线状披针形,先 - 抖音
小伙身份证与在押犯同名同号
【水彩搬运】五分钟教你画出唯美的樱花树
15首关于秋天的经典古诗词,孩子写作文或许能用得到
手持迷你电链锯家用小型充电式园林伐木锯户外快速切割单手锂电锯
22年改装传祺m8大师系列.传祺gm8 2022年上牌 20 - 抖音