图知网
搜索
首页
热门推荐
图片分类
全新原装 dip8 sd4842 小功率开关电源芯片 sd4842p67k65
下载原图
相关图片
sd4842p sd4842 开关电源芯片ic 直插 【全新现货原装】现货
实用电路原理与应用-sd6834开关电源电路工作原理_哔哩哔哩_bilibili
sd4842p 全新原装进口 小功率开关电源芯片sd4842直插dip8 p67k65
开关电源ka3824b电路图
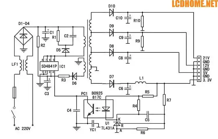
请教各位师傅开关电源芯片sd4841p炸裂一般是什么因素导致的?谢谢
电源板原理图
为你推荐
俊美的脸庞—宋亚轩
[差错传说]gasterの痛
"欢迎来到阿拉宁波"#分享照片 #美女#大学生 - 抖音
没事我溜达
官塘小学201书香中队之科学家与发明家手抄报册我是小小发明家手抄报
第五人格奈布
榫卯老工艺结构实木大床
紫色iphone12图赏华贵而又质朴雅静而又热烈