图知网
搜索
首页
热门推荐
图片分类
【免费下载】休闲娱乐创意海报商业地产平面设计设计素材_高清psd图片
下载原图
相关图片
现代家庭娱乐图片下载
电影娱乐杀青素材图片
7款扁平插画风格一起玩游戏的好朋友图片免抠矢量素材 休闲娱乐-第1张
景点娱乐欢乐有趣的狂欢节乐趣马戏团旋转木马游戏游乐场景观背景照片
【儿童游乐园矢量】图片免费下载_儿童游乐园矢量素材_儿童游乐园矢量
关键词:休闲娱乐赌博扑克牌赌具筹码竞技博弈光芒时尚元素
为你推荐
天然珍珠项链女 正圆强光淡水珍珠吊坠锁骨链正品 送妈妈婆婆礼物
养眼可爱萝莉甜美写真图片桌面壁纸
章泽天上的是外国语中学,保送至清华,16所外国语学校有保送资格_网易
任玥20岁生日快乐
梨园新春戏曲晚会舞台背景
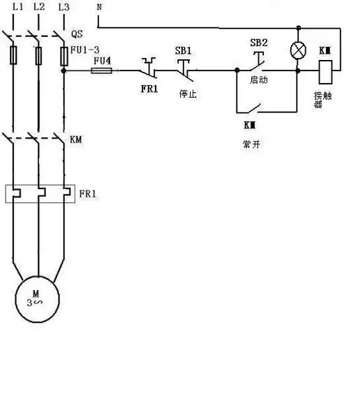
自锁电路
奇田(qitian) jzy-a-h1红外线 台嵌两用燃气灶 天然气灶具 煤气炉 单
焦作市山阳区焦东路小学二年级美术《重重叠叠》作业展