图知网
搜索
首页
热门推荐
图片分类
lnk364pn power supply stop work
下载原图
相关图片
做开关电源时,输出电压不够,经测量开关芯片lnk626的d端输入电压不够
电风扇马达线圈电路风扇电机线圈上的黑线零线
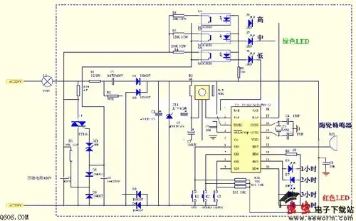
电风扇防触伤控制器_原理图论坛_单片机电路论坛_mcu资讯论坛
5v开关电源芯片pn8370mpn8306m5v2a六级能效充电ic方案
采用lnk363pn设计的2.7 w双输出非隔离电源电路
lnk562pn-tl 参数 datasheet pdf下载
为你推荐
黑色纹理壁纸1024x600分辨率查看
圆寸板寸适合什么脸型,寸头图片,发型图片
刻姓名字印章石头印章定做刻张个性章子个人名字私章签名盖章礼品25x5
pop手绘字体转换器
青年歌唱家王喆相册
诺福克梗犬
海龙海鲜舫
小学生搞笑的慢羊羊简笔画图片大全