图知网
搜索
首页
热门推荐
图片分类
62岁刘德华告诉你发型一丝不苟裤子短一截到老也不油腻
下载原图
相关图片
刘德华发型大合集,哪个更帅.
刘德华,香港歌手,演员,制作人,被誉为"华仔","歌神","影帝",是华语
刘德华谈《扫毒2》幕后:不惜花重金打造最佳场景,但过程很搞笑
刘德华62岁示范发型精致裤短不油
刘德华复出后亮相,网友:还是喜欢你的油头
歌手刘德华,为何能在娱乐圈里持续红40年,这一切都离不开他的人品.
为你推荐
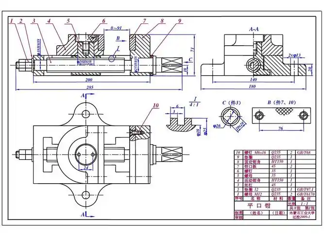
机械制图_画平口钳装配图ppt
得不到的都释怀
cover
lv托特托特中最爱的lvonthego中号
【洛天依】桃花旗袍
谢谢你了聊天动态表情图
图集:分享一组动漫《哆啦a梦》呆萌壁纸,欢迎收藏!
传说中的救命稻草,灵丹妙药,真的太好了,疼的半死,喝了立杆见 - 抖音