图知网
搜索
首页
热门推荐
图片分类
陈情令超话【 忘羡·绝美般配 】 他们只要站在一起,就让人心里
下载原图
相关图片
忘羡
蓝忘机#蓝忘机魏无羡#魏无羡#绝美忘羡图净化垃圾就该滚回垃圾桶,莫
忘羡
忘羡
忘羡
我喜欢的魔道祖师忘羡图 - 知乎
为你推荐
绿色纺织品高清壁纸,高清图片,摄影-纯色壁纸
名人字画释永信大师书法四尺整张 越来越好手写毛笔字酒店装饰画
头上长了一个小瘤,两年多,求医生看看
原神最罕有的4星武器,官方当宝up,老玩家和新手玩家都看不上
【康一小二五班孩子画笔中的家乡】我的家乡风景独美
西红柿…… 水果:苹果,香蕉,葡萄,火龙果,梨子…… 膳食金字塔
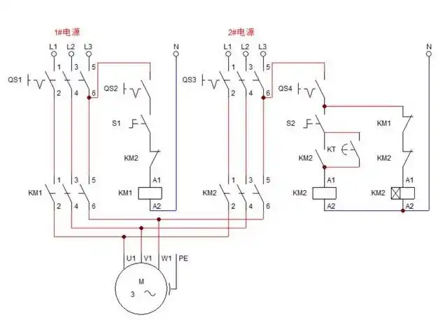
三相双电源自投控制原理图
庆南大学简介-新韩网