图知网
搜索
首页
热门推荐
图片分类
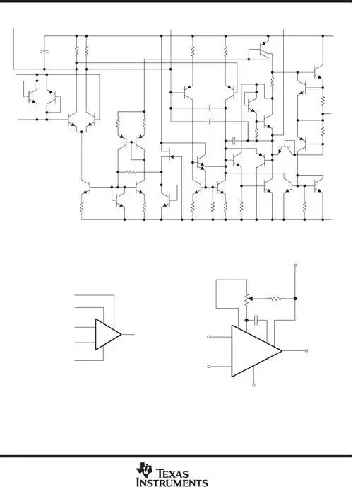
ne5534做的前级出问题
下载原图
相关图片
新手入门芯片ne5534,opa2604,ad827运放耳放耳机放大器
ne5534这样调零的
一个555振荡电路及其解释
ne5534运算放大器低噪声单路
ne5534a
lm358mx/nopbf运算放大器芯片中文资料规格书pdf数据手册引脚图芯片
为你推荐
动漫男生头像
黑色丝绒立体蝴蝶结发夹后脑勺弹簧夹子头饰顶夹发饰
简单花卉上新主题背景
医馆网站建设方案_(医馆网站建设方案模板)
半音阶口琴如何转调?
重要朝阳孩子视力评估检查开始了尽快报名
楷书誓字
黄鹤楼——百年梦