图知网
搜索
首页
热门推荐
图片分类
为什么地下车位停不了你的私家车?车太大了还是规范该改了?
下载原图
相关图片
停车位的设计标准分为四个等级,车长不大于6米及车宽不大于1.
建筑师们,请不要再设计这种停车位了!_尺寸_审核_问题
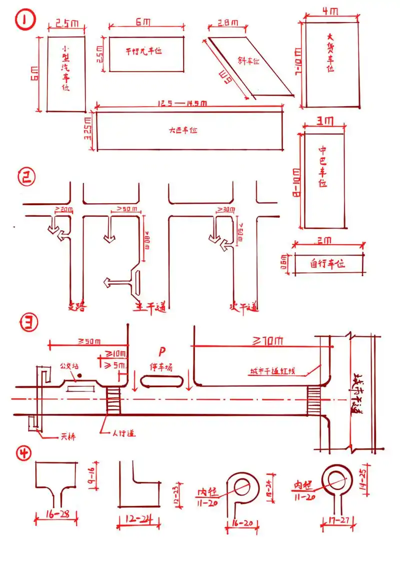
快题停车规范——01 停车位尺寸:一般停车位标准尺寸大小是根据车型
快题停车规范——01 停车位尺寸:一般停车位标准尺寸大小是根据车型
即使是一辆小型轿车的停车空间,设计上也要大费功夫,伤透脑筋!
『无障碍元素』无障碍标准大科普之无障碍机动车停车位
为你推荐
北帝灵签 (北帝灵签第六签)-第1张图片-珑钦运势网
雌雄同体的冰海精灵大海中的神秘天使竟如此残忍
浪漫夕阳的美篇
假面骑士时王全形态(下)
2,工行营业时间是几点全国各类银行营业时间基本一致个人业务每周一至
十孔口琴-只要平凡
儿童唱歌讲故事简笔画唱歌的小朋友简笔画小朋友简笔画唱歌的女孩简笔
自己动手地砖美缝