图知网
搜索
首页
热门推荐
图片分类
怀柔分区规划全文发布三大功能定位绘蓝图
下载原图
相关图片
坚持规划先行全面融入
今年上半年,怀柔新城将开工3条道路
(怀柔区规划大纲)
城就百年科学梦想怀柔科学城控制性详细规划街区层面2020年2035年草案
《北京市城乡规划条例》要求,现就《怀柔科学城控制性详细规划(街区层
怀柔新城04街区d地块土地一级开发项目搬迁工作正式启动
为你推荐
揭秘赵丽颖绯闻男友,身世成谜,离婚后独自洁身_冯绍峰_高梓淇_陈晓
细数那些戴口罩的变形金刚狂派篇霸天虎比汽车人更爱口罩
张歆艺个人资料 图片(张歆艺个人资料简历档案) - oto联盟
"npc"男装vs女装,范丞丞甜美,黄明昊软萌,看到蔡徐坤:不愧是他!
钟镇涛
圆脸女生韩式齐耳短发发型
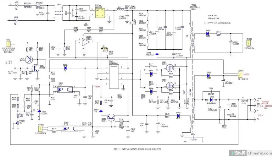
一例山特ups c3k/c3ks 3kva 不间断电源在线式电源板不充电维修
【凯奇ktv】晚场8小时欢唱 百威啤酒6瓶美食套餐