图知网
搜索
首页
热门推荐
图片分类
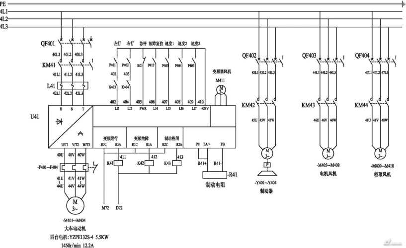
中国工控28例电气自动控制电路图都是干货快收藏吧
下载原图
相关图片
图4大车电气控制原理图
每日一图,双电源保护控制电路#维修电工 #电气控制 #电工电 - 抖音
电动机电气控制电路图
9.1电气控制电路图.doc 4页
电气原理图
实例分析,常用建筑电气设备电路图识读方法
为你推荐
布丁狗捏
季晨《沙海》演绎毒舌黑爷 金句频出吐槽能力max
茶楼门面转让
好看的手写体丨让广告语文字带有掌心的温度丨南京孙老师文字设计工作
胎心位置规律如下:(a) 6个月前,胎心位置常在脐下腹部中线正中或两侧.
鲤鱼焙面,延津做法,大灾之年,太过分了
死神
舌头电影/电影解说/古惑仔/战无不胜/李嘉欣真的很漂亮