图知网
搜索
首页
热门推荐
图片分类
二十冶三中"停课不停学"之地理篇(十三)
下载原图
相关图片
亚非分界线
非洲的国家(共19张ppt)
无忧文档 所有分类 非洲和埃及复习答案ppt 亚非分界线 地跨亚,非两
高三地理第一轮复习教案区域地理之世界地理部分---西亚和北非_全国
亚洲复习课件答案ppt 描述亚洲与周围其他大洲的界线 与欧洲分界线
免费文档 所有分类 初中教育 政史地 初一政史地 10.
为你推荐
【图】胡歌出车祸的原因分析 胡歌车祸前后照片曝光
央视主持钱琳琳,二婚带儿子嫁给小6岁的张译婚后却选择了丁克
千层花卷
四方连续纹样,背景,雏菊,矢量,甘菊
谁能给我一杯忘情水
心理测试:哪束玫瑰花的包装最华丽?测测你未来的孩子是否有出息
仙境中世纪哥特式城堡黑白页着色儿童和成人工作表矢量图像
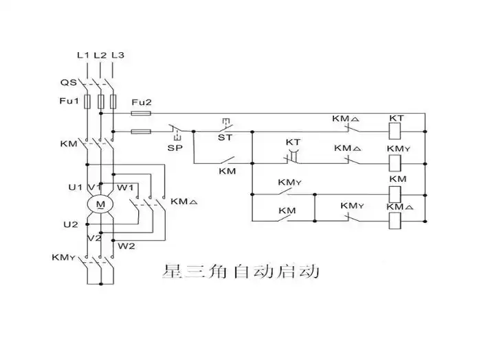
星三角启动原理及接线图