图知网
搜索
首页
热门推荐
图片分类
它的名字很奇特,人称了哥王,全株有毒,却被称为少林的金疮药
下载原图
相关图片
了哥王片
了哥王七麻根
农村有一种草叫作了哥王很少见能治外伤出血炎症跌打损伤
了哥王的花
了哥王是一种什么样的植物?
了哥王,十蒸九晒,损伤将死,酒煎服即回生
为你推荐
拼色墙色彩怎么搭配?有哪些刷法? - 知乎
车载式微型空气质量在线监测仪,改善道路扬尘污染情况
宋丹丹震撼曝光!
鬼灭之刃蝶屋主人制毒高手蝴蝶忍姐姐手机壁纸图片高清1080(4)
聊天结束告辞举牌熊猫头67举牌熊猫聊天告辞结束表情
妇女手打开门在门之后拷贝空间照片
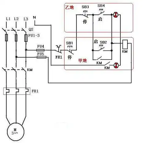
一台三相电机,两地都能控制其开停,一地操作后,另一地有状态指示(灯亮
安防,通信,广电设备 安防监控系统 视频监控系统 监控摄像机/摄像头