图知网
搜索
首页
热门推荐
图片分类
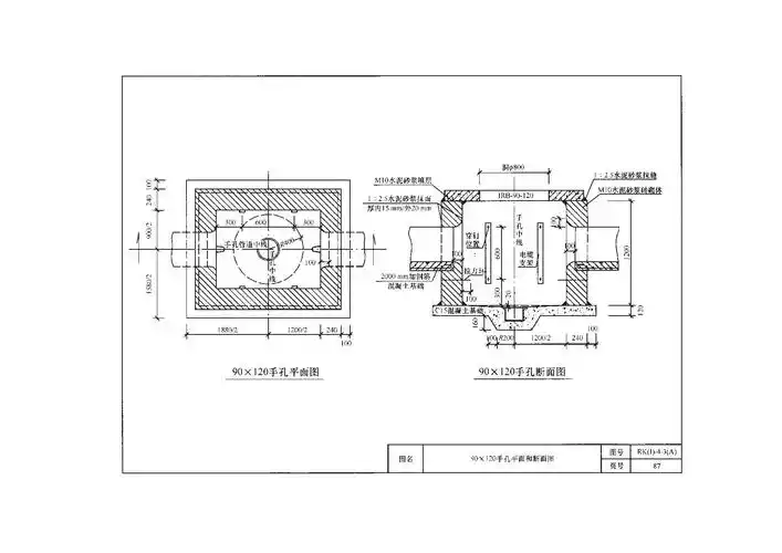
有没有手孔井的计算公式表格,谢谢手孔井收藏我要回答
下载原图
相关图片
电缆手孔井,适用于室外电缆敷设
通信手孔图纸
手孔井
手孔井
某智能化室外手孔井详细图纸(建筑电气)
小型电缆手孔井套什么定额子目呢?
为你推荐
胡渣少女意难平那期结尾的歌曲求求了
动漫女头# #漫画头像# #动漫头像# #动漫女生头像# #ai绘画# #头像
建林路非机动车道都是钉子,大家骑车注意安全,有人故意撒钉子, - 抖音
富二代-富二代v4.7.7手机免费版app-安卓软件应用下载-apk8安卓网
默哀.
倒入刚炒过豆芽和氽过水的海蜇皮,约翻炒一分钟
派尼尔成套家具
必将逝去的记忆,播求和一龙还能带给我们多少美好