图知网
搜索
首页
热门推荐
图片分类
七龙珠激战传说拉蒂兹攻略 拉蒂兹能力一览
下载原图
相关图片
龙珠拉蒂兹
还记得《龙珠》中悟空的哥哥拉蒂兹吗?
《七龙珠》拉蒂兹
悟空的老哥拉蒂兹
拉蒂兹
马克笔手绘拉蒂兹
为你推荐
刘耀文17岁啦09
创意绘画数字3
012个月宝宝成长发育进阶表一图看大动作
长相绝世美颜,却至今没有孩子的7位女星,最小36岁,最大竟89岁
椰子油
泊头好伦哥比萨自助餐厅
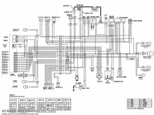
请教高手摩托车整车线路
紧急扩散普宁警方悬赏通缉126人看看都是谁