图知网
搜索
首页
热门推荐
图片分类
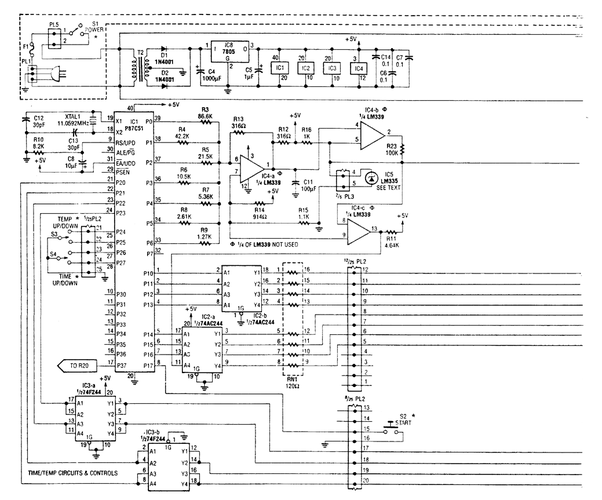
超声波清洗机电路图2例 / 查查362
下载原图
相关图片
超声波清洗机原理及清洗效果
人造金刚石筛分滤网的超声波清洗机用稳流控制电路
超声波清洗机电路图
新型超声波清洗机_cn201821915122.3_知雀网
69固特超声波清洗机之如何读懂他激式电路
用于超声波管道清洗机的开关电源设计
为你推荐
沉香桂花树
奢华的视觉享受:中国空军歼11b战机写真大片
融合创新菜例8道丨脆皮青椒蛙烤番茄煨牛尾配油条67如意蛋卷
张馨予晒腿部淤青照笑侃现在跳舞我也有调色盘
妙普乐假手指头残疾人指套断指橡胶魔术道具 硬质 大拇指大号
药师窑生肖猴子求子陶瓷摆件平安健康可爱卡通进口生日礼物车载
珍果园飘动力100ml乳酸菌儿童学生早餐营养牛奶酸奶饮料整箱批发无
神奇美妙的卡通城堡