图知网
搜索
首页
热门推荐
图片分类
宠物小精灵全图鉴精 简笔画 宠物小精灵在看什么了手绘儿时的动画记忆
下载原图
相关图片
最强进化 水舰队 攻略
魔兽争霸宠物小精灵图鉴
宠物小精灵进化图鉴
顺势更改了许多名称,不仅从原本的「神奇宝贝」改成「精灵宝可梦」外
口袋妖怪图鉴(全国001~721)
收集 点赞 评论 男头 可宝梦精灵 p站转侵删 0 4 笑对天 发布到
为你推荐
加查俱乐部#p图#求审核通过9405一起去菜山茶吧7278
中国女军人的丰采
促销活动~送用品 健康纯种~金毛犬 包养活疫苗
赵薇一身纯白拼接长裙复古红唇手持白色花朵优雅大方
本公主真是给你脸了_公主_真是表情
minichamps树脂haasf1teamvf-22凯文马格努森英国火车
金属表面白漆脱落
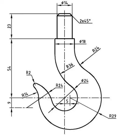
autocad 基础教程:绘制吊钩