图知网
搜索
首页
热门推荐
图片分类
《武则天传奇-帝》
下载原图
相关图片
一代女皇武则天是如何登上皇位的
武则天头像
武则天
武则天秘史
武则天 br>
武则天插画 古代美女 女皇 ai 武媚娘 国风插画
为你推荐
2021直发发型女中长发,超漂亮的直发一定不能错过
梦幻中的冰雪大世界
【周星驰】 【处处吻】电影混剪_哔哩哔哩 (゜-゜)つロ 干杯~-bili
使命光头想脱离组织单干不料黑老大当晚就派人来暗杀惨了
卡卡西写轮眼开启大揭秘
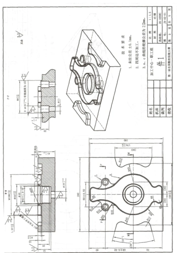
数控铣,加工中心图纸(1)
宋江起义最终失败的原因(宋江起义是什么时候发生的)(图2)
宝马,m5,轿车壁纸,高清图片,壁纸,其他-桌面城市