图知网
搜索
首页
热门推荐
图片分类
天官赐福情头花怜
下载原图
相关图片
天官赐福花城谢怜红装情头
好期待第二季呀~马上就要播了,真开心#花城# #天官赐福
花怜情头两张
收集 点赞 评论 天官赐福 花怜 情头 古风 [意临自截,二传注明]
花城×谢怜 情头
花怜‖情头
为你推荐
古力娜扎黑长直美照太有氛围感了
蓝天白云大海背影女孩微信头像 女生头像图片大全 -【爱个性】
一家四口卡通头像第二辑,快快换上吧! 那就在一起 黄昏与四季
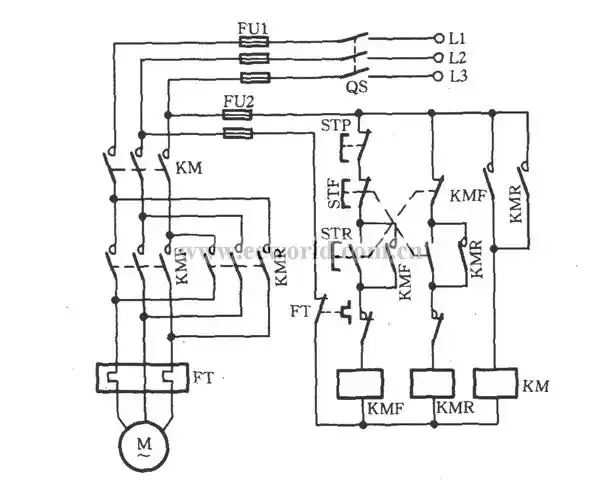
三相电动机防止相间短路的换向电路
冰箱正面可爱简笔画
女儿情简谱歌谱 女儿情吉他谱c调 《女儿情》歌曲原唱吴静
贝拉
耐克在国外也被抵制了联名新鞋里装人血每双售价高达六千元