图知网
搜索
首页
热门推荐
图片分类
y-△降压启动控制线路图
下载原图
相关图片
用时间继电器自动切换星三角y-△降压启动电路接线图
一台电动机,按sb2y形启动,再按sb1切换成△形按sb3停止的电路图 急急
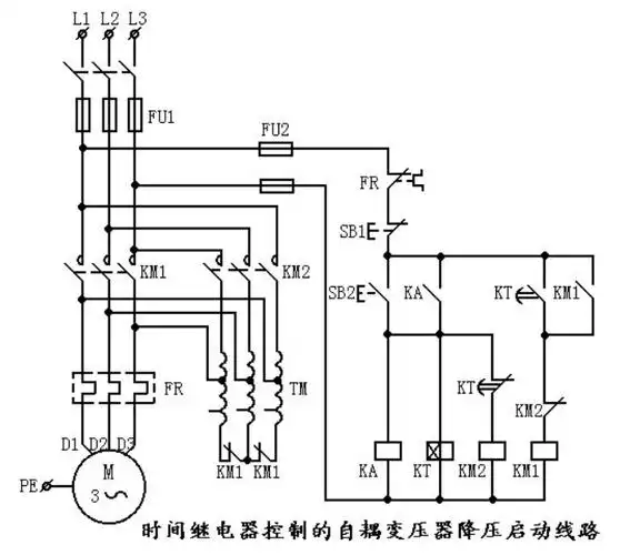
自藕变压器降压启动线路工作原理
65时间继电器控制 y —△降压启动控制线路 (2)考核内容
三相异步电动机星三角启动原理及电路图
星三角降压启动的压缩机控制电路
为你推荐
吕良伟个人资料(吕良伟:三婚娶小15岁富婆,47岁生一子,如今他还好吗?
黑猫gif壁纸gif抖音gif手机壁纸gif猫咪gif猫gif萌宠gif
老桩玉树
冰岛钻石沙滩
红色矩形边框
免费领取二年级看图写话图片集35篇精品例文
破十法计算题 - 百度文库
王者荣耀被揍亚瑟头像怎么弄到桌面