图知网
搜索
首页
热门推荐
图片分类
371_369gif 动态图 动图
下载原图
相关图片
800_600gif 动态图 动图
800_600gif 动态图 动图
「2020亚洲社会设计展」5月18日,红点设计博物馆61厦门那么,您一定
揭秘丨红点奖得主究竟是如何诞生的
200_200gif 动态图 动图
烦人的小妖精浅谈小红点的设计
为你推荐
安宁公主在《安乐传》中的扮演者——夏楠的精湛表演
可爱风格的微信表情 - 小汤圆帅帅 韵祥兄弟
【中国环保在线 国际新闻】据相关媒体报道,2020年东京夏季奥运会
私人定制logo设计案例
孙悟空贝吉塔经典战斗
孙芸芸:8岁买钻,15岁倒追富豪,一晚替丈夫赚13亿_廖镇汉_生活_台湾
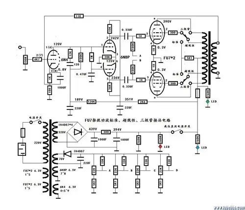
河豚有毒,美味难敌 ——fu7超线性(三极管)推挽功放制作
美好的大学生活简笔画